• 全民古玩网瓷器、玉器、古币、银元、字画、文玩杂项、博物馆馆藏、古董收藏、古玩收藏

琥珀 | 就连李白都忍不住夸,这到底是什么样的“琥珀光”?

  • 深圳博物馆
  • 2021年11月17日06时

兰陵美酒郁金香

玉碗盛来琥珀光

连“诗仙”李白都曾用

“琥珀光”来形容

他最爱的美酒


这不禁让人好奇

这到底是什么颜色

也太令人神往了!


别急

今天咱就带你亲眼看看

醉人的“琥珀光”

到底长啥样?

流光溢彩



如果在搜索引擎查询“琥珀色”

得到的答案是这样的

得到的颜色是这样的

这时鬼斧神工的大自然

轻轻一笑

“呵,搜索引擎限制了你们的想象”


假如你是一枚琥珀

“做自己”可不是件难事


你不仅仅可以是金灿灿的黄色

还可以是鲜艳的红色

无暇的白色

也可以是深邃的蓝色

琥珀怎么会出现

如此丰富多彩的颜色呢?

琥珀

颜色


琥珀颜色与树脂成分密切相关,还与琥珀化过程中同其他物质产生的化学反应、埋藏的地质环境如温度和压力等有关;内含物、方解石的沁入都将影响琥珀的颜色。

此外琥珀内部大量微小气泡产生的反射和散射使其呈现出半透明到不透明的状态。

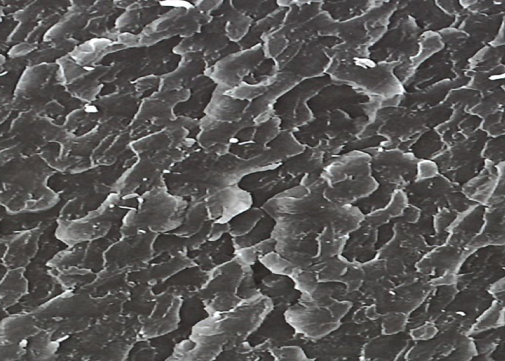
片层状

1

2

气泡结构

波罗的海金珀(1)和蜜蜡(2)的扫描电子显微镜图像,分别显示片层状和气泡结构。

在种种因素的叠加下,琥珀的颜色才会如此地丰富。

#1

血珀(波罗的海)

因表面受到热及压力的作用产生氧化层而呈透明的血红色。血珀形成条件苛刻:远古树脂必须长期稳定地埋藏在80℃左右的地下。温度太低,琥珀无法氧化;温度太高,琥珀又会熔化。

#2

金珀(波罗的海)

淡黄色至金黄色透明的琥珀,由于折射率比较高而晶莹剔透。


成珀树脂的水分和挥发性组分逃逸速度慢,避免了大量细小气泡的产生,提高了琥珀整体的透明度;因氧化反应速度的降低,琥珀体色较浅。

#3

蜜蜡(波罗的海)

从半透明至不透明,可以呈各种颜色,以黄色为最普遍,有蜡状感,蜜蜡中每平方毫米气泡数量通常为几百至几千个。

#4

金绞蜜(波罗的海)

金珀与不透明的蜜蜡交织在一起,呈现出部分透明、部分不透明的状态。

#5

白蜜蜡(波罗的海)

白蜜蜡每平方毫米含的气泡数可以达到1百万个以上,光线被气泡散色后淡化了琥珀的颜色效应,形成白色至骨白色不透明琥珀。

#6

翳(yì)珀(缅甸)

翳珀并非完全黑色,强光照射通常为棕色或者深红色。它并不是纯化石树脂,是树木树脂与土壤、碎片、树木的残骸或其他包裹物混合时形成的。

#7

蓝珀(多米尼加)

蓝色是琥珀色中最稀有的一种,是由宝石内部的微小空隙对光的折射和散射产生的一种特殊光学效应。

看到这里

你是不是也被琥珀

这绚丽的颜色吸引了

快来深圳博物馆

沉浸式感受

五彩斑斓的琥珀世界吧



展览名称:琥珀

展览时间:2021年10月29日至2022年3月10日

展览地点:深圳博物馆(古代艺术馆)7号厅

定点讲解时间:16:00

可点击关注本微信公众号,回复【开放时间】【场馆地址】【预约】【讲解服务】获取相关信息



戳这里为我加颗小星星★

“星标”我才能更方便接收我的消息哦




深圳博物馆

你与深博只差一个关注呦~



—展馆地址—


深圳博物馆古代艺术馆:深圳市福田区同心路6号


深圳博物馆历史民俗馆:深圳市福田区市民中心A区


深圳改革开放展览馆:深圳市福田区福中路184号深圳改革开放展览馆(深圳市当代艺术与城市规划馆四楼、五楼)


东江游击队指挥部旧址:深圳市罗湖区南庆街13号


—开放时间—


深圳博物馆历史民俗馆、古代艺术馆:

开放时间10:00-18:00(17:30停止入场,周一闭馆,重要节假日期间开放,重要节假日后的第一天闭馆)


深圳改革开放展览馆:

开放时间10:30-17:30(17:00停止入场,周一闭馆,重要节假日期间开放,重要节假日后的第一天闭馆)


东江游击队指挥部旧址暂时闭馆


—官方新媒体平台—


订阅号

深圳博物馆

喜马拉雅

听见深博

微博

深圳博物馆



—官方网站—

https://www.shenzhenmuseum.com/




Copyright © 2021.Company 全民古玩网QVIP.NET All rights reserved.全民古玩网加密货币交易所